Предназначена для пуска и подъема грузов по наклонным (до 20°) выработкам, а также для откатки их по горизонтальным выработкам. Данная лебедка предназначена для откатки грузов в горных выработках с переменным профилем (±20°). Они могут применяться в шахтах любой категории по газу и опасных по пыли.
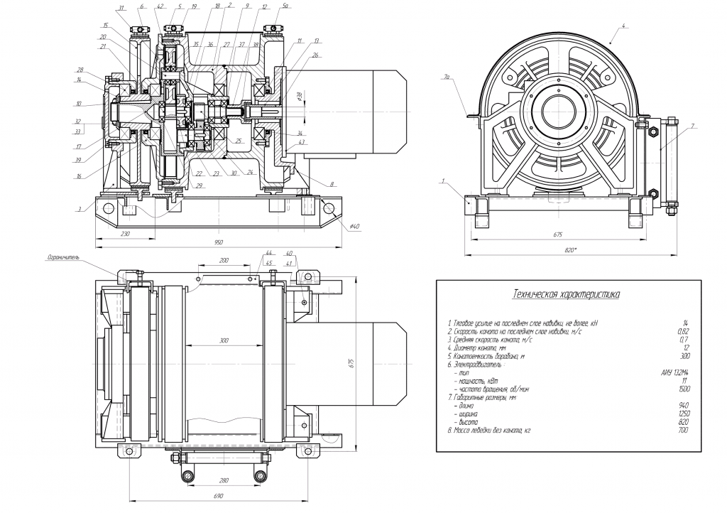
Лебедка 1ЛШВ-01 состоит из следующих основных составных частей:
рамы 1, трехступенчатого редуктора, встроенного в барабан, кронштейна правого 4, кронштейна левого 5, фрикциона 6, тормоза фрикциона 7, тормоза рабочего 8, тормоза предохранительного 9.
Фрикцион 6 предназначен для плавного присоединения (отсоединения) барабана к приводу, а также для защиты деталей от поломок при перегрузке на канате. Передача вращения от электродвигателя к барабану осуществляется трехступенчатым цилиндрическим редуктором, расположенным в полости барабана.
Шахтная вспомогательная лебедка 1ЛШВ-01 является конструктивным аналогом следующих лебедок, снятых с производства: ЛВД1 (ЛВД-11, ЛВД-12, ЛВД-13, ЛВД-14), ЛВД2 (ЛВД-21, ЛВД-22, ЛВД-23, ЛВД-24), ЛШВ-2 (ЛШВ-22, ЛШВ-24) и ЛМ25.

|
Канатоемкость барабана, м
|
300 |
|
Мощность электродвигателя, кВт
|
11 |
|
Вес лебедки без каната, кг
|
700 |
|
Габариты, мм
|
940х1250х820 |
|
Диаметр каната, мм
|
12 |
|
Тяговое усилие на последнем слое навивки, не более, кН
|
14 |
|
Скорость каната на последнем слое навивки, м/с
|
0,82 |
|
Средняя скорость каната, м/с
|
0,7 |
|
Тип электродвигателя
|
АИУ132М4 |
|
Частота вращения электродвигателя
|
1500 |
Оплата заказа для юридических и физических лиц.
1. Оплата по Счету, Счет-договору (для юридических лиц и ИП с расчетным счетом).
1.1. После согласования заказа наш менеджер отправляет на email клиента Счет и Спецификацию или Счет-договор (в зависимости от условий сотрудничества).
1.2. При доставке транспортной компанией (ТК) Продавца «до дверей», ее стоимость выделяется отдельной строкой в Счете/Счет-договоре.
1.3. Доставка «до терминала ТК» будет бесплатной.
1.4. Срок действия Счет-договора 7 календарных дней. По их окончании программа автоматически расформировывает Счет-договор – бронь снимается.
2. Оплата товара.
2.1. Оплата принимается по безналичному расчету путем перевода денежных средств с р/с Покупателя на р/с Продавца.
2.2. При оплате наличными вы дожидаетесь курьера и передаёте ему сумму за товар в рублях. Покупатель подписывает документы, вносит денежные средства и получает чек.
2.3. Датой оплаты считается дата зачисления денежных средств на р/с Продавца.
Подробнее об условиях оплаты читайте в разделе Условия оплаты.
Доставка производится по России и странам СНГ. Предлагаем несколько вариантов отгрузки товара.
1. Доставка транспортной компанией (ТК) или курьерской службой Покупателя.
1.1. Мы сотрудничаем с транспортными компаниями:
- Транспортная компания КИТ.
- Деловые линии.
- ПЭК.
Также доставка может быть осуществлена:
- транспортными компаниями;
- авиа- и ж/д транспортом;
- контейнерными перевозками;
- экспресс-почтой, либо курьерской доставкой;
До транспортной компании доставляем бесплатно.
1.2. Покупатель может самостоятельно заказать услуги ТК или курьера и забрать заказ по адресу г. Екатеринбург, ул. Артинская, 6а.
2. Самовывоз со склада Продавца.
Если товар есть в наличии на складе, то заказ можно забрать на следующий день после получения оплаты или в день оплаты при наличии платежки с отметкой банка о проведении платежа. Если товар «под заказ», приезжать за ним можно после уведомления нашего менеджера.
Важно! Перед приездом или отправкой курьера необходимо связаться с менеджером и уточнить готовность товара к отгрузке.
Услуга доступна по адресу г. Екатеринбург, ул. Артинская, 6а, офис 2, с 9:00 до 17:00.
3. Доставка заказа ТК Продавца «до дверей» Покупателя.
Подробнее об условиях доставки читайте в разделе Условия доставки.
